Coffret SynapseCore
1.Introduction
Remontez les données et pilotez vos bâtiments en quelques minutes

Coffret SynapseCore
Ce coffret pré-Câblé est une solution complète et prête à l’emploi, combinant GTB, passerelle IoT, routeur 4G et protections électriques dans un coffret compact et robuste, intégralement pré-configuré par Ewattch.
Conçu pour une mise en service immédiate, ce coffret « tout-en-un » s’installe rapidement, sans câblage complexe ni configuration préalable. Il garantit une connectivité et une sécurité optimales dès le branchement.
Grâce à son architecture ouverte, à sa compatibilité multiprotocole et à son intégration native avec EwattchCloud, il s’intègre aisément dans tout type d’infrastructure et assure une gestion fluide et centralisée des équipements connectés.
Fonctionnalités
- Installation rapide & Plug & Play
Coffret entièrement pré-câblé et testé en usine : il se fixe, se branche et fonctionne immédiatement.
- Pré-configuration Ewattch
Chaque coffret est livré pré-configuré pour votre projet : routeur, passerelle SynapseCore et scénarios sont déjà paramétrés pour une mise en service ultra-rapide.
- Connectivité 4G de secours
La connexion 4G intégrée est prévue pour faciliter le démarrage des installations lorsque le réseau local n’est pas encore disponible, ou pour assurer un accès temporaire en cas de coupure réseau.
- Protection électrique complète
Le coffret intègre des dispositifs de protection pour sécuriser l’alimentation et les communications, garantissant fiabilité et longévité des équipements connectés.
- Compatibilité EwattchCloud
Supervision SaaS performante, analyses avancées et pilotage en temps réel, accessibles depuis n’importe où via la plateforme EwattchCloud.
- Compatibilité multiprotocole
Support natif de LoRaWAN, Modbus TCP, BacNET, KNX, et API tierces, pour une intégration simple et flexible à vos systèmes existants.
2.Installation et mise en oeuvre
Infrastructure réseau

Paramétrage réseau
Pare-feu
- Autoriser : les adresses MAC ou IP des passerelles à sortir par les ports 80 (http), 443 (https) et 123 (NTP) vers le serveur www.ewattchcloud.fr, et par le port 53 vers les DNS configurés.
- SynapseCore : autoriser les adresses MAC ou IP à sortir par les ports 51820, 51821 (tcp et udp) vers wg.vpn.ewattch.cloud.
- Whitelist : ajouter www.ewattchcloud.fr et wg.vpn.ewattch.cloud dans la liste blanche du pare-feu.
- RAK : si présentes sur le réseau, autoriser les adresses MAC ou IP à communiquer avec les passerelles Ewattch via les ports 1780 et 1782 (tcp et udp).
Adressage
- Port WAN : Par défaut le port WAN est en DHCP. Vérifier que les gateways récupèrent correctement les paramètres réseau (passerelle, DNS). Si vous passez en IP fixe, si besoin, fixer le DNS sur 8.8.8.8 (DNS Google).
- Port LAN : Le port LAN de la SynapseCore a une adresse IP fixe en 192.168.25.1/24, il est serveur DHCP.
DNS
- Accès DNS : les gateways doivent pouvoir accéder au DNS (DOMAIN NAME SERVICE), soit via la passerelle (relais DNS), soit en direct (exemple : 8.8.8.8 sur le port 53).
- Domaine : les gateways doivent pouvoir accéder au domaine www.ewattchcloud.fr.
Proxy
- Proxy HTTP : si un proxy est utilisé, il ne sera pas configuré automatiquement. La configuration doit être faite directement dans les gateways.
- Authentification : les proxys authentifiés ne sont pas supportés.
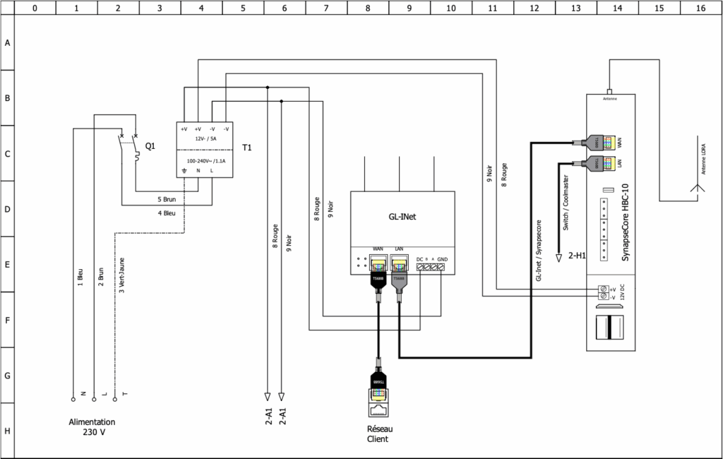
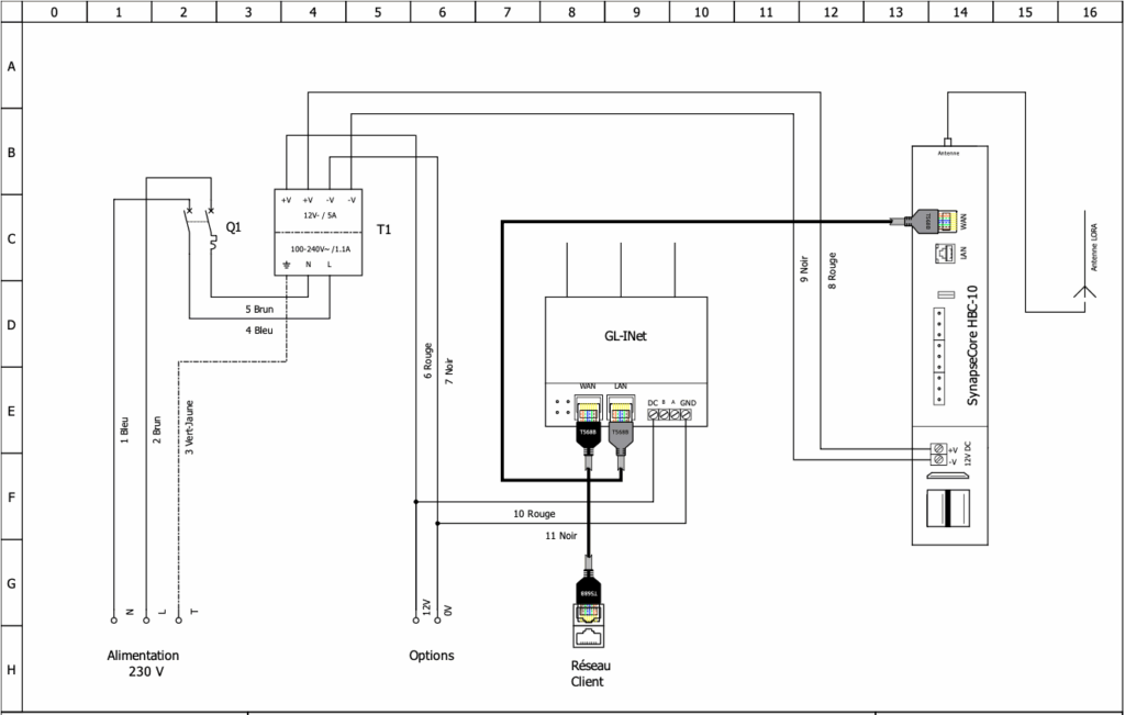
Installation
Installez simplement votre coffret pré-configuré par Ewattch. Raccordez votre coffret ainsi que vos équipements en suivant le schéma ci-dessous.
Coffret seul

Coffret et E-VRVMASTER-PRO

Guide d’installation du VRVMASTER-PRO
Le VRVMASTER-PRO est installé par EWATTCH. En cas de besoin, vous pouvez consulter le guide ci-dessous.
Téléchargez le guide d’installation du fabricant ici
Paramétrage sur Ewattch cloud
La SynapseCore ne nécessite aucune configuration préalable de la part du client. Elle est automatiquement préparamétrée par nos soins avant expédition. Il ne vous reste plus qu’à connecter vos capteurs via la fonction Scan to Cloud, une solution intuitive qui facilite le provisionnement en quelques clics.
Accédez à la documentation complète de Scan to Cloud :
3.Données disponibles sur Ewattch cloud
La passerelle SynapseCore permet de remonter et de piloter toutes les données disponibles sur les capteurs compatibles (ensemble des capteurs fabriqués par Ewattch ainsi que les capteurs tiers commercialisés par Ewattch) et protocoles de communication compatibles (BacNET, MODBUS, KNX, API REST).
4.Utilisation sur Ewattch cloud
Pilotage GTB complet


Sous-comptage électrique

Supervision local technique

Données live et historisées

Alerting

5.Homologation et conformité
Homologations & Conformités
- Certifications : CE (Conformité Européenne)
- RoHS : Restriction des substances dangereuses
- RED : Radio Equipment Directive pour les communications sans fil
- REACH : Registration, Evaluation and Authorisation of Chemicals – conformité environnementale
Normes CEM
- ESD : EN61000-4-2, Niveau 3
- EFT : EN61000-4-4, Niveau 2
- SURGE : EN61000-4-5, Niveau 2
Logos
symbole de la conformité européenne
symbole de la directive DEEE ( Déchets d’équipements électriques et électroniques)
6.Caractéristiques techniques
Réseau & Alimentation
- Ethernet : 2 x 10/100/1000 Mbps (1x PoE compatible – IEEE 802.3af, 1x standard)
- Wi-Fi : 2.4 GHz, IEEE 802.11 a/b/g/n/ac (routeur 4G)
- Alimentation : 230 VAC via disjoncteur 2P 4A → alimentation 12VDC / 5A (60W)
- Protection électrique : Disjoncteur bipolaire 4A en tête de ligne
Interfaces
- RS485 : 3 x RS485 isolés (SynapseCore)
- USB : 2 x USB 2.0 (Type-A) + 1 x USB-C (SynapseCore)
- LED : 6 indicateurs d’état (alimentation, réseau, activité, etc.)
- Boutons : Redémarrage matériel + Reset système
- Accès réseau : Prise RJ45 intégrée sur façade coffret
Performances système (SynapseCore)
- Processeur : Quad-core Cortex-A72 @ 1.5 GHz
- Mémoire vive : 4 Go LPDDR4
- Stockage : 32 Go eMMC
- Refroidissement : Fanless (dissipation passive)
- Historisation : 48h de données locales en cas de coupure réseau
- Communication : LoRaWAN v1.0.3 EU868 MHz, Modbus TCP, BacNET IP, KNX IP
Environnement
- Température de fonctionnement : -30°C à +70°C
- Température de stockage : -40°C à +80°C
- Humidité : 10% à 95% RH (sans condensation)
- Indice de protection : IP40 (coffret intérieur)
- Résistance CEM : Conforme EN61000-4-2, -4, -5 (niveaux 2 et 3)
Dimensions / Physique
- Dimensions : 400 mm x 300 mm x 170 mm
- Poids : ≈ 4,5 kg (composants inclus)
- Matériaux : Coffret ABS
- Montage : Mural
7.Dangers et avertissements
Le non-respect des indications de la présente notice ne saurait engager la responsabilité du constructeur.
Toute intervention sur le produit doit être effectuée par une personne qualifiée.
Le remplacement du produit doit être effectué par une personne qualifiée.
L’appareil doit être utilisé selon les spécifications de la présente documentation. Dans le cas contraire, une mise en danger est possible.
Aucune partie de l’appareil ne doit être remplacée ou retirée.
Coupez toutes les alimentations avant d’intervenir sur cet appareil.
Seuls les accessoires conformes aux spécifications de la présente documentation doivent être utilisés.
8.References
COFFRET-SYNAPSECORE-HBC10 : Coffret pré-câblé pour GTB hybride contenant :
- 1 SynapseCore (réf. : SYNAPSECORE-HBC10)
- 1 Coffret électrique 400mm x 300mm x 170mm
- 1 Router 4G pré-configuré
- 1 Alimentation sur rail DIN 12V 60W
- Protections électriques
E-VRVMASTER-PRO : contrôleur industriel intelligent permettant la gestion et la supervision avancée des systèmes de chauffage, ventilation et climatisation (CVC).
9.Contact

13, Rue Maurice Jeandon
88100 Saint-Dié des Vosges
FRANCE
sales@ewattch.com
+33(0)3.29.57.75.97
www.ewattch.com
